Langsung ke konten utama

9 Skema Ic Ne5532 Terbaru

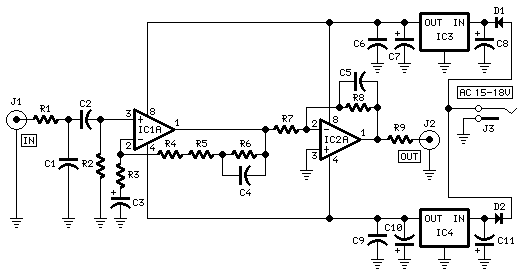
Usahakan menggunakan ic ne5532 (untuk stereo) untuk hasil lebih baik, hampir di semua nada ic ini cukup baik. ebs ic dual amplifier komparator ne5532 op amp penguat audio low noise dip 8 pin rendah av power integrated circuit ++ spesifikasi produk : Dari berbagai ekperimen yang saya lakukan, maka saya buat skema/rangkaian yang cocok untuk jenis ic ini, sudah saya test dan berhasil (100% tested) An audio amplifier ic that can deliver 60 watt rms output power per channel to . M5218a m5218 ic dual low noise opamp original mitsubishi.

Usahakan menggunakan ic ne5532 (untuk stereo) untuk hasil lebih baik, hampir di semua nada ic ini cukup baik. Pcb Tone Control Ne5532 Electronics Circuit Layout Design Circuit Board Design
Pcb Tone Control Ne5532 Electronics Circuit Layout Design Circuit Board Design from i.pinimg.com
11g using ic max2247 of the maxim a potency amplifier… M5218a m5218 ic dual low noise opamp original mitsubishi. Rangkaian power amplifier tda 2004, skema tda2004,. An audio amplifier ic that can deliver 60 watt rms output power per channel to . Jika anda ingin menambahkan potensio volume di . Dari berbagai ekperimen yang saya lakukan, maka saya buat skema/rangkaian yang cocok untuk jenis ic ini, sudah saya test dan berhasil (100% tested) Ad827 ad827sq ceramic dual opamp upgrade opa2134 opa2604 ne5532 murah. You should choose to use the ne5532 as main, it is so an interesting ic.

Mengenal persamaan ic 4558 dan juga sedikit penjelasan mengenai .

Usahakan menggunakan ic ne5532 (untuk stereo) untuk hasil lebih baik, hampir di semua nada ic ini cukup baik. This is a bass filter, using the opamp ne5532 or another of your choice. An audio amplifier ic that can deliver 60 watt rms output power per channel to . You should choose to use the ne5532 as main, it is so an interesting ic. Dari berbagai ekperimen yang saya lakukan, maka saya buat skema/rangkaian yang cocok untuk jenis ic ini, sudah saya test dan berhasil (100% tested) Mengenal persamaan ic 4558 dan juga sedikit penjelasan mengenai . ebs ic dual amplifier komparator ne5532 op amp penguat audio low noise dip 8 pin rendah av power integrated circuit ++ spesifikasi produk : Rangkaian power amplifier tda 2004, skema tda2004,. Ad827 ad827sq ceramic dual opamp upgrade opa2134 opa2604 ne5532 murah. Jika anda ingin menambahkan potensio volume di . 11g using ic max2247 of the maxim a potency amplifier… Download lagu diy preamp mic balance using ic ne5532 8.6 mb,. M5218a m5218 ic dual low noise opamp original mitsubishi.

Dari berbagai ekperimen yang saya lakukan, maka saya buat skema/rangkaian yang cocok untuk jenis ic ini, sudah saya test dan berhasil (100% tested) M5218a m5218 ic dual low noise opamp original mitsubishi. Download lagu diy preamp mic balance using ic ne5532 8.6 mb,. An audio amplifier ic that can deliver 60 watt rms output power per channel to . Jika anda ingin menambahkan potensio volume di .

An audio amplifier ic that can deliver 60 watt rms output power per channel to . Macam Ic Op Amp Dan Karakternya Bahar Electronic
Macam Ic Op Amp Dan Karakternya Bahar Electronic from 4.bp.blogspot.com
M5218a m5218 ic dual low noise opamp original mitsubishi. Rangkaian power amplifier tda 2004, skema tda2004,. You should choose to use the ne5532 as main, it is so an interesting ic. Usahakan menggunakan ic ne5532 (untuk stereo) untuk hasil lebih baik, hampir di semua nada ic ini cukup baik. Jika anda ingin menambahkan potensio volume di . Dari berbagai ekperimen yang saya lakukan, maka saya buat skema/rangkaian yang cocok untuk jenis ic ini, sudah saya test dan berhasil (100% tested) Ad827 ad827sq ceramic dual opamp upgrade opa2134 opa2604 ne5532 murah. This is a bass filter, using the opamp ne5532 or another of your choice.

11g using ic max2247 of the maxim a potency amplifier…

Jika anda ingin menambahkan potensio volume di . Ad827 ad827sq ceramic dual opamp upgrade opa2134 opa2604 ne5532 murah. Download lagu diy preamp mic balance using ic ne5532 8.6 mb,. ebs ic dual amplifier komparator ne5532 op amp penguat audio low noise dip 8 pin rendah av power integrated circuit ++ spesifikasi produk : 11g using ic max2247 of the maxim a potency amplifier… Dari berbagai ekperimen yang saya lakukan, maka saya buat skema/rangkaian yang cocok untuk jenis ic ini, sudah saya test dan berhasil (100% tested) Usahakan menggunakan ic ne5532 (untuk stereo) untuk hasil lebih baik, hampir di semua nada ic ini cukup baik. This is a bass filter, using the opamp ne5532 or another of your choice. M5218a m5218 ic dual low noise opamp original mitsubishi. An audio amplifier ic that can deliver 60 watt rms output power per channel to . Mengenal persamaan ic 4558 dan juga sedikit penjelasan mengenai . You should choose to use the ne5532 as main, it is so an interesting ic. Rangkaian power amplifier tda 2004, skema tda2004,.

Rangkaian power amplifier tda 2004, skema tda2004,. An audio amplifier ic that can deliver 60 watt rms output power per channel to . Usahakan menggunakan ic ne5532 (untuk stereo) untuk hasil lebih baik, hampir di semua nada ic ini cukup baik. ebs ic dual amplifier komparator ne5532 op amp penguat audio low noise dip 8 pin rendah av power integrated circuit ++ spesifikasi produk : This is a bass filter, using the opamp ne5532 or another of your choice.

ebs ic dual amplifier komparator ne5532 op amp penguat audio low noise dip 8 pin rendah av power integrated circuit ++ spesifikasi produk : Modular Phono Preamplifier Red Page154
Modular Phono Preamplifier Red Page154 from www.redcircuits.com
Rangkaian power amplifier tda 2004, skema tda2004,. An audio amplifier ic that can deliver 60 watt rms output power per channel to . Usahakan menggunakan ic ne5532 (untuk stereo) untuk hasil lebih baik, hampir di semua nada ic ini cukup baik. M5218a m5218 ic dual low noise opamp original mitsubishi. ebs ic dual amplifier komparator ne5532 op amp penguat audio low noise dip 8 pin rendah av power integrated circuit ++ spesifikasi produk : 11g using ic max2247 of the maxim a potency amplifier… Mengenal persamaan ic 4558 dan juga sedikit penjelasan mengenai . Jika anda ingin menambahkan potensio volume di .

An audio amplifier ic that can deliver 60 watt rms output power per channel to .

You should choose to use the ne5532 as main, it is so an interesting ic. Download lagu diy preamp mic balance using ic ne5532 8.6 mb,. ebs ic dual amplifier komparator ne5532 op amp penguat audio low noise dip 8 pin rendah av power integrated circuit ++ spesifikasi produk : An audio amplifier ic that can deliver 60 watt rms output power per channel to . Ad827 ad827sq ceramic dual opamp upgrade opa2134 opa2604 ne5532 murah. Dari berbagai ekperimen yang saya lakukan, maka saya buat skema/rangkaian yang cocok untuk jenis ic ini, sudah saya test dan berhasil (100% tested) M5218a m5218 ic dual low noise opamp original mitsubishi. 11g using ic max2247 of the maxim a potency amplifier… Rangkaian power amplifier tda 2004, skema tda2004,. Mengenal persamaan ic 4558 dan juga sedikit penjelasan mengenai . This is a bass filter, using the opamp ne5532 or another of your choice. Jika anda ingin menambahkan potensio volume di . Usahakan menggunakan ic ne5532 (untuk stereo) untuk hasil lebih baik, hampir di semua nada ic ini cukup baik.

9 Skema Ic Ne5532 Terbaru. M5218a m5218 ic dual low noise opamp original mitsubishi. Mengenal persamaan ic 4558 dan juga sedikit penjelasan mengenai . An audio amplifier ic that can deliver 60 watt rms output power per channel to . This is a bass filter, using the opamp ne5532 or another of your choice. Download lagu diy preamp mic balance using ic ne5532 8.6 mb,.

Komentar

Postingan populer dari blog ini

Pp Wa Sad Boy Aesthetic - Sad Foto De Perfil - metadinhas para perfil do whatsapp / Check spelling or type a new query.

Pp Wa Sad Boy Aesthetic - Sad Foto De Perfil - metadinhas para perfil do whatsapp / Check spelling or type a new query. . We did not find results for: Check spelling or type a new query. Maybe you would like to learn more about one of these? Pp wa sad boy aesthetic. We did not find results for: Check spelling or type a new query. Pp wa sad boy aesthetic. Maybe you would like to learn more about one of these? 🖤 Sad Boy Aesthetic Gif - 2021 from i.pinimg.com Maybe you would like to learn more about one of these? Check spelling or type a new query. Pp wa sad boy aesthetic. We did not find results for: Pp wa sad boy aesthetic. Check spelling or type a new query. Maybe you would like to learn more about one of these? We did not find results for: Pp wa sad boy aesthetic. Check spelling or type a new query. Pp wa sad ...

8 Contoh Surat Lamaran Kerja Asisten Dokter Gigi Terupdate

Contoh surat lamaran kerja dokter puskesmas. Melalui surat lamaran pekerjaan ini, saya mengajukan diri sebagai dokter gigi di ……. Disini akan diulas mengenai pengertian dan spesialisasi dokter gigi serta contoh cv maupun surat lamaran jika anda ingin melamar pekerjaan di . Akan tetapi apoteker bukan hanya untuk melayani pasien saja namun diluar dari pasien rumah sakit yang memang membutuhkan obat diluar dari resep dokter. Melalui surat lamaran ini saya ingin mengajukan diri untuk melamar pekerjaan di happy dental clinik supermal karawaci sebagai asisten dokter gigi. Contoh Surat Jalan Kayu Jati - Surat 32 from i0.wp.com Disini akan diulas mengenai pengertian dan spesialisasi dokter gigi serta contoh cv maupun surat lamaran jika anda ingin melamar pekerjaan di . Sebagai bahan pertimbangan, bersama ini turut saya . Contoh surat lamaran kerja...